1 / 5
| Customization: | Available |
|---|---|
| After-sales Service: | Oversea Aftersales Is Available |
| Warranty: | 12 Months |
Our industrial evaporator is suitable for all types of cold storage including food, vegetables, processing workshops, and logistics centers. The compact design saves significant space, and the low-noise external fan motor ensures a comfortable working environment.
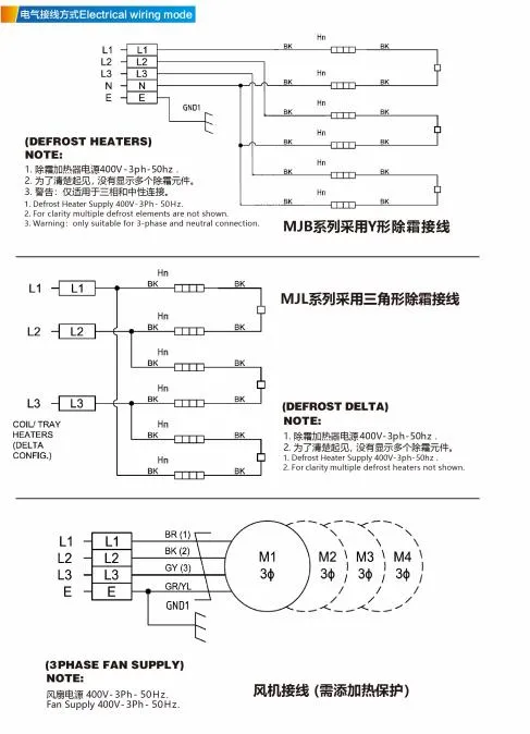
Cooling capacity ranges from 1.0kw to 210kw, compatible with Freon refrigerants such as R134A, R22, R404A, R507C, and R407C.











| Model | MJL632C08R8-E | MJL633C08R8-E | MJL634C08R8-E |
|---|---|---|---|
| Cooling capacity (kw) SC1 | 70 | 106.2 | 140.9 |
| Heat exchange area (m²) | 213.4 | 321.5 | 429.5 |
| Air flow rate (m³/h) | 28000 | 42100 | 56200 |
| Total fan power (W) | 3700 | 5550 | 7400 |
| Air throw (m) | 62 | 65 | 66 |
| Defrost power (W) | 24300 | 33300 | 43200 |







LG Logistics